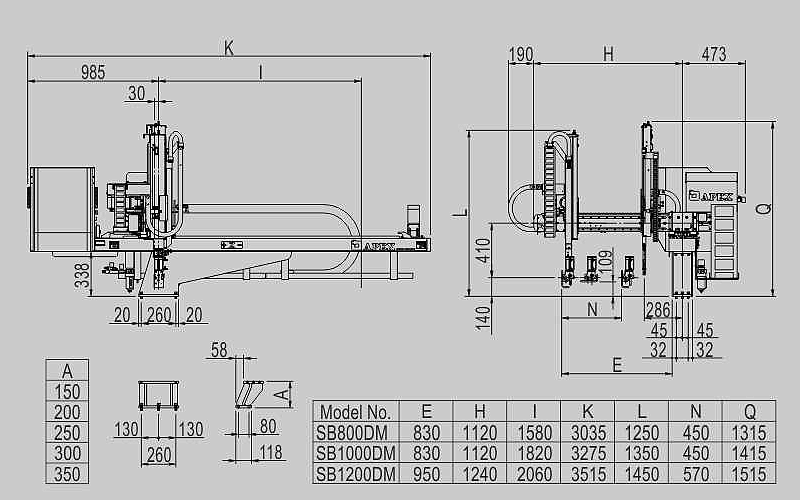
DRAWING